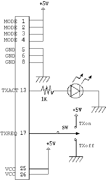
送信部の回路図